Chloroxylon swietenia (PROTA)
Introduction |
| General importance | |
| Geographic coverage Africa | |
| Geographic coverage World | |
| Medicinal | |
| Timber | |
| Ornamental | |
| Conservation status | |



Chloroxylon swietenia (Roxb.) DC.
- Protologue: Prodr. 1: 625 (1824).
- Family: Rutaceae
Vernacular names
East Indian satinwood, Ceylon satinwood (En).
Origin and geographic distribution
Chloroxylon swietenia originates from central and southern India and Sri Lanka. In Africa cultivation has been tried in e.g. Nigeria and Madagascar.
Uses
Chloroxylon swietenia provides a decorative timber, used for furniture, panelling, pattern making, interior trim, cabinet work, flooring, boxes, crates, interior joinery, carvings, toys, musical instruments and luxury goods. It is made into decorative veneer, which is, however, unsuitable for plywood manufacture because of its weight. Because of its strength it is also used for heavy construction, railway sleepers, boat building and agricultural equipment. The wood is also used as fuelwood.
In India most plant parts are medicinally used. The crushed leaves are applied to treat wounds, snakebites and rheumatism. A bark extract is considered astringent and taken to treat fever, chest pain and in a mixture with other plants to treat asthma. In friction it is used to treat bruises and painful joints. A paste of the leaves and roots is taken internally to treat headache and is applied to the forehead as a balm for the same purpose. In Sri Lanka the root bark in milk is drunk to treat impotence.
Production and international trade
Chloroxylon swietenia wood is traded internationally, e.g. on Internet, primarily for interior design and architectural inlay. It is expensive and supplies are limited.
Properties
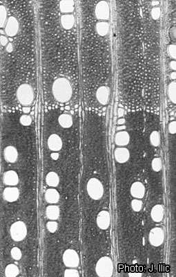
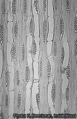
The heartwood is cream-coloured to golden yellow, darkening to brown with age; it is not clearly demarcated from the slightly paler sapwood. The grain is usually interlocked or wavy, texture fine and even. The wood is often striped or mottled, and remarkably lustrous. Dark gum veins are a common defect, as they are liable to develop into splits. The wood has a slight pleasant fragrance when freshly cut.
The wood is heavy, with a density of 900–980 kg/m³ at 12% moisture content. Air drying requires care to avoid cracking, twisting or warping. Kiln drying may produce good results with little degrade, but is rather slow. The rates of shrinkage from green to oven dry are moderately high: 5.5–5.9% radial and 7.1–9.0% tangential.
The wood is strong and hard. At 12% moisture content, the modulus of rupture is about 174 N/mm², modulus of elasticity 14,900 N/mm², compression parallel to grain 60 N/mm², cleavage 20 N/mm and Chalais-Meudon side hardness 9.2.
The wood is difficult to work with hand tools and moderately hard to saw and machine, with a moderate to severe blunting effect on cutting tools. In planing a cutting angle of 15° is required to avoid tearing. A neat finishing makes it possible to obtain a perfectly polished surface and a beautiful glazed effect. Boring operations are reported to be rather difficult, and the wood requires to be held firmly in boring operations to prevent chattering. Preboring is recommended in nailing and screwing, but nail-holding and screw-holding properties are rated as good. The wood turns and stains well, but is difficult to glue.
The heartwood is rated as highly resistant to attack by all types of fungi, but in India it is reported to possess little resistance to attack by termites. It is also susceptible to attack by marine borers, and to a lesser extent by pinhole borers and longhorn beetles. The sapwood is not susceptible to Lyctus borers. The heartwood is extremely resistant to preservative treatment. The wood is reported to cause skin irritation.
From the stem bark coumarins (swietenone, swietenocoumarins A–F, 8-prenylnodakenetin and demethylluvangetin) and quinolinone alkaloids (swietenidins A and B) were isolated. From the heartwood 2,4-dihydroxy-5-prenycinnamic acid was isolated, as well as an alkaloid (skimmianine) and coumarins (swietenol, xanthyletin, xanthoxyletin, 7-demethylsuberosin and alloxanthoxyletin). The essential oil from the leaves contains as main compounds the terpenes limonene, germacrene D, geijerene, pregeijerene, trans-β-ocimene and methyl eugenol. Both the leaf and the stem oils exhibited moderate to strong activities against a panel of bacteria and fungi. The seeds contain 16% non-drying oil.
Essential oil from the leaves and stems and several isolated compounds displayed significant mosquitocidal activity by fumigation against Aedes aegypti, Anopheles gambiae and Culex quinquefasciatus, as well as activity against tobacco cutworm, Spodoptera litura. Methanol extracts of dried leaves exhibited good analgesic activity in mice.
Description
- Deciduous small to medium-sized tree up to 18(–25) m tall; bole straight, cylindrical, branchless for up to 4.5 m, up to 45(–90) cm in diameter; bark surface yellowish or pale greyish brown, rough and corky; crown spreading; branchlets greyish hairy.
- Leaves alternate, paripinnately compound, up to 24 cm long with 20–40 leaflets, hairy when young; stipules absent; petiole up to 3 cm long; petiolules short; leaflets alternate, oblong, 1.5–3 cm × 0.5–1.5 cm, base very asymmetrical, one side cuneate, other side slightly cordate, apex acute, margins entire, gland-dotted, pinnately veined with up to 5 pairs of lateral veins.
- Inflorescence a terminal or axillary pyramid-shaped panicle up to 15 cm long, short-hairy.
- Flowers bisexual, regular, 5-merous, small; pedicel c. 5 mm long; calyx with deltoid lobes, c. 3 mm long; petals free, elliptical, up to 3.5 mm long, slightly clawed, fringed, white, spreading, short-hairy on both sides; stamens 10, free, c. 2 mm long; disk 10-lobed, thick, densely short-hairy; ovary superior, ovoid, slightly 3-lobed, sparsely to densely short-hairy, 3-celled, immersed in disk, style short, slender, stigma head-shaped, small.
- Fruit an ellipsoid capsule 2.5–3 cm × c. 1.5 cm, dehiscing with 3 woody valves, up to 12-seeded.
- Seeds ellipsoid, laterally flattened, c. 1 cm long, with oblong wing on one side, up to 1.5 cm long.
Other botanical information
Chloroxylon comprises 3 species; 2 are endemic to Madagascar. Chloroxylon swietenia flowers when it is leafless, in the dry season, and can be found fruiting 2–3 months later.
Ecology
In its natural habitat Chloroxylon swietenia occurs in dry deciduous forest on poor, well-drained sandy or rocky soils, at low to medium altitudes. It occurs in regions with an annual rainfall of 750–1500 mm.
Management
Chloroxylon swietenia has shown good growth rates in Nigeria. It coppices well. In India Chloroxylon swietenia is an alternative food-plant for the caterpillars of Papilio demoleus, a pest of Citrus.
Genetic resources
Chloroxylon swietenia has become scarce in several regions in India and Sri Lanka because of timber exploitation, and it is listed as vulnerable in the IUCN Red list of threatened species.
Prospects
The decorative wood of Chloroxylon swietenia is of excellent quality and will continue to be in demand for luxury goods, pattern making, interior trim, interior joinery, carvings, toys and musical instruments. It would be worthwhile to explore the possibilities of small-scale plantations in Africa.
Major references
- Bolza, E. & Keating, W.G., 1972. African timbers: the properties, uses and characteristics of 700 species. Division of Building Research, CSIRO, Melbourne, Australia. 710 pp.
- Burkill, H.M., 1997. The useful plants of West Tropical Africa. 2nd Edition. Volume 4, Families M–R. Royal Botanic Gardens, Kew, Richmond, United Kingdom. 969 pp.
- Kiran, S.R. & Devi, P.S., 2007. Evaluation of mosquitocidal activity of essential oil and sesquiterpenes from leaves of Chloroxylon swietenia DC. Parasitology Research 101(2): 413–418.
- Stone, B.C., 1985. Rutaceae. In: Dassanayake, M.D. (Editor). A revised handbook to the flora of Ceylon. Vol. 5. Amerind Publishing Co., New Delhi, India. pp. 406–476.
- Takahashi, A., 1978. Compilation of data on the mechanical properties of foreign woods (part 3) Africa. Shimane University, Matsue, Japan, 248 pp.
Other references
- Asian Regional Workshop (Conservation & Sustainable Management of Trees, Viet Nam), 1998. Chloroxylon swietenia. In: IUCN. 2006 Red list of threatened species. [Internet] http://www.iucnredlist.org. June 2008.
- Bhide, K.S., Mujumdar, R.B. & Rao, A.V.R., 1977. Phenolics from the bark of Chloroxylon swietenia. Indian Journal of Chemistry Section B Organic Chemistry Including Medicinal Chemistry 15(5): 440–444.
- Capuron, R., 1967. Nouvelles observations sur les Rutacées de Madagascar. Adansonia, séries 2, 7(4): 479–500.
- Farmer, R.H., 1972. Handbook of hardwoods. 2nd Edition. Her Majesty’s Stationery Office, London, United Kingdom. 243 pp.
- Kiran, S.R., Devi, P.S. & Reddy, K.J., 2008. Evaluation of in vitro antimicrobial activity of leaf and stem essential oils of Chloroxylon swietenia DC. World Journal of Microbiology and Biotechnology 24(9): 1909–1914.
- Kiran, S.R., Reddy, A.S., Devi, P.S. & Reddy, K.J., 2006. Insecticidal, antifeedant and oviposition deterrent effects of the essential oil and individual compounds from leaves of Chloroxylon swietenia DC. Pest Management Science 62(11): 1116–1121.
- Mujumdar, R.B., Rathi, S.S. & Rao, A.V.R., 1977. Heart wood constituents of Chloroxylon swietenia. Indian Journal of Chemistry Section B Organic Chemistry Including Medicinal Chemistry 15(2): 200.
- Parrotta, J.A., 2001. Healing plants of peninsular India. CABI Publishing, Wallingford, United Kingdom. 917 pp.
- Sentil, R.A. & Ramkumar, R., 2003. Analgesic activity of Chloroxylon swietenia. Indian drugs 40(1): 34–36.
- Upadhyay, R. & Chauhan, S.V.S., 2001. Chloroxylon swietenia DC.: an effective insect repellent. Geobios 28(2–3): 161–162.
Author(s)
- G.H. Schmelzer, PROTA Network Office Europe, Wageningen University, P.O. Box 341, 6700 AH Wageningen, Netherlands
Correct citation of this article
Schmelzer, G.H., 2008. Chloroxylon swietenia (Roxb.) DC. In: Louppe, D., Oteng-Amoako, A.A. & Brink, M. (Editors). PROTA (Plant Resources of Tropical Africa / Ressources végétales de l’Afrique tropicale), Wageningen, Netherlands. Accessed 26 October 2025.
- See the Prota4U database.