Berlinia grandiflora (PROTA)
![]() |
Introduction |
Importance générale | ![]() ![]() ![]() ![]() ![]() |
Répartition en Afrique | ![]() ![]() ![]() ![]() ![]() |
Répartition mondiale | ![]() ![]() ![]() ![]() ![]() |
Médicinal | ![]() ![]() ![]() ![]() ![]() |
Bois d'œuvre | ![]() ![]() ![]() ![]() ![]() |
Ornemental | ![]() ![]() ![]() ![]() ![]() |
Fourrage | ![]() ![]() ![]() ![]() ![]() |
Auxiliaire | ![]() ![]() ![]() ![]() ![]() |














Berlinia grandiflora (Vahl) Hutch. & Dalziel
- Protologue: Bull. Misc. Inform. Kew 1928(10) : 398 (1928).
- Famille: Caesalpiniaceae (Leguminosae - Caesalpinioideae)
- Nombre de chromosomes: n = 12
Synonymes
- Berlinia acuminata Sol. ex Hook.f. (1849),
- Berlinia heudelotiana Baill. (1865).
Noms vernaculaires
- Melegba des galeries (Fr).
Origine et répartition géographique
Berlinia grandiflora est répandu de la Guinée et du Mali jusqu’en Centrafrique, et vers le sud jusqu’en R.D. du Congo.
Usages
Le bois est utilisé pour la construction de maisons, les planches, les planchers, la menuiserie et les récipients alimentaires. Il convient pour les boiseries intérieures, la construction navale, les châssis de véhicules, le mobilier, l’ébénisterie, les traverses de chemin de fer, les tuteurs, les égouttoirs, le tournage, les placages et le contreplaqué.
Le jus d’écorce est appliqué sur les plaies et blessures, et on administre la décoction d’écorce pour traiter les hémorroïdes et les affections hépatiques ainsi que comme vermifuge. La décoction de ramilles feuillées est utilisée comme fébrifuge, cholagogue et anti-émétique ; cependant, on signale qu’elle est également utilisée comme émétique et purgatif. Des décoctions de feuilles sont prises comme tonique.
Berlinia grandiflora est parfois planté comme arbre ornemental et arbre d’ombrage dans les villages, et comme arbre d’ombrage dans les plantations de caféiers. Il est parfois brouté par le bétail, en particulier les moutons et les chèvres.
Production et commerce international
Le bois de Berlinia grandiflora est principalement utilisé localement et rarement vendu sur le marché international en tant que “melegba”.
Propriétés
Le bois de cœur est brun rosé à brun rougeâtre avec des stries violacées, et distinctement démarqué de l’aubier large et blanc rosé. Il est contrefil, le grain est moyen à grossier. Le bois n’a pas d’odeur et est insipide lorsque sec.
C’est un bois de poids moyen à moyennement élevé, d’une densité de 690–820 kg/m³ à 12% d’humidité. Il sèche relativement lentement à l’air mais bien, avec parfois un léger gauchissement. Les taux de retrait du bois vert à anhydre sont plutôt élevés : de 5,9–6,0% radialement et 8,5–10,4% tangentiellement. A 12% d’humidité, le module de rupture est de 110–180 N/mm², le module d’élasticité de 10 780–12 350 N/mm², la compression axiale de 51–73 N/mm², le cisaillement de 11–15 N/mm², le fendage de 12–18 N/mm, la dureté Janka de flanc de de 6050 N et la dureté de flanc Chalais-Meudon de 3,6–6,7.
Le bois se travaille et se scie moyennement bien, mais parfois les dents de scie et les lames de coupe s’usent rapidement. Le peluchage du contrefil sur des surfaces rabotées peut être problématique. Les propriétés de clouage et de vissage sont satisfaisantes, ainsi que les caractéristiques de collage et de cintrage. On signale que les propriétés de coloration et de polissage sont variables. Moyennement résistant aux termites, c’est un bois moyennement durable, mais il est sensible aux attaques de scolytes et de térébrants marins. L’aubier est facilement traité avec des produits de conservation, mais le bois de cœur est rebelle.
On a montré la présence d’alcaloïdes, de tanins, de flavonoïdes, de triterpènes et d’hétérosides dans des extraits d’écorce. Des extraits méthanoliques d’écorce ont mis en évidence une toxicité aiguë chez les souris, avec une DL50 de 37 mg/kg par injection intrapéritonéale. Ils augmentent de façon significative le temps de sommeil induit par pentobarbitone chez les souris et ont montré des effets analgésiques. Ils induisent une contraction de l’iléon isolé de cobaye avec un effet lié à la dose. Des extraits d’écorce ont montré une activité vermifuge chez des rats infectés par Nippostrongylus brasiliensis et une activité contre le nématode libre du sol, Caenorhabditis elegans. On a identifié l’acide bétulinique comme composé actif.
Description
- Arbre de taille petite à moyenne atteignant 25(–30) m de haut ; fût souvent court, souvent irrégulier, parfois droit et cylindrique, atteignant 50(–70) cm de diamètre, sans contreforts ; surface de l’écorce écailleuse, gris foncé à brune, écorce interne brun pâle à brun rougeâtre, sécrétant parfois une résine jaunâtre ; cime arrondie, dense, à rameaux étalés ; rameaux bruns, glabres.
- Feuilles alternes, composées paripennées à (2–)3–4(–5) paires de folioles ; stipules grandes, caduques ; pétiole de 2–4(–6,5) cm de long ; pétiolules trapus, de 0,5–1 cm de long ; folioles opposées ou presque, oblongues-elliptiques à obovales, asymétriques, de 7–22 cm × 3–11,5 cm, obtuses à arrondies à la base, habituellement courtement acuminées à l’apex, papyracées à finement coriaces, glabres ou à poils courts au-dessous, pennatinervées à 7–12 paires de nervures latérales.
- Inflorescence : panicule terminale fortement ramifiée, à denses poils courts brun rougeâtre, à nombreuses fleurs ; bractées petites, caduques.
- Fleurs bisexuées, zygomorphes, 5-mères, odorantes, à 2 bractéoles atteignant 3,5(–6,5) cm × 2 cm à la base, à poils argentés à l’intérieur ; pédicelle de 2–5 cm de long ; hypanthium atteignant 1,5 cm de long, habituellement glabre ; sépales linéaires, d’environ 1 cm de long ; pétales libres, 1 grand, de 3,5–6,5 cm de long, avec un long onglet à la base, légèrement émarginé à l’apex, les 4 autres d’environ 1 cm de long, blancs ; étamines 10, de 5–6 cm de long, 9 soudées à la base, 1 libre ; ovaire supère, stipité, densément couvert de poils courts, style mince, presque aussi long que les étamines.
- Fruit : grande gousse ligneuse, oblongue, aplatie, atteignant 30 cm × 7 cm, à court stipe, à denses poils courts et dorés, brun jaunâtre à brun, à veines diagonales indistinctes, déhiscente par 2 valves, à environ 4 graines.
- Graines plates, arrondies à ellipsoïdes, atteignant 4 cm de diamètre, brun foncé.
Autres données botaniques
Le genre Berlinia comprend environ 20 espèces et est confiné à l’Afrique tropicale où presque toutes les espèces sont présentes en Afrique de l’Ouest et en Afrique centrale. De nombreuses espèces se ressemblent entre elles, et les identifier peut être problématique. Berlinia grandiflora appartient à la section Berlinia, caractérisée par des pétales très inégaux en longueur et par des bractées petites. Il a été confondu avec plusieurs autres espèces de cette section, surtout Berlinia auriculata Benth., Berlinia congolensis (Baker f.) Keay, Berlinia confusa Hoyle et Berlinia coriacea Keay.
Anatomie
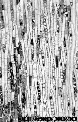
Description anatomique du bois (codes IAWA pour les bois feuillus) :
- Cernes de croissance : 1 : limites de cernes distinctes.
- Vaisseaux : 5 : bois à pores disséminés ; 13 : perforations simples ; 22 : ponctuations intervasculaires en quinconce ; 23 : ponctuations alternes (en quinconce) de forme polygonale ; 26 : ponctuations intervasculaires moyennes (7–10 μm) ; (27 : ponctuations intervasculaires grandes (≥ 10 μm)) ; 29 : ponctuations ornées ; 30 : ponctuations radiovasculaires avec des aréoles distinctes ; semblables aux ponctuations intervasculaires en forme et en taille dans toute la cellule du rayon ; (42 : diamètre tangentiel moyen du lumen des vaisseaux 100–200 μm) ; 43 : diamètre tangentiel moyen du lumen des vaisseaux ≥ 200 μm ; 46 : ≤ 5 vaisseaux par millimètre carré ; (47 : 5–20 vaisseaux par millimètre carré) ; 58 : gomme ou autres dépôts dans les vaisseaux du bois de cœur.
- Trachéides et fibres : 61 : fibres avec des ponctuations simples ou finement (étroitement) aréolées ; 66 : présence de fibres non cloisonnées ; 69 : fibres à parois fines à épaisses.
- Parenchyme axial : 80 : parenchyme axial circumvasculaire étiré ; 81 : parenchyme axial en losange ; (82 : parenchyme axial aliforme) ; 83 : parenchyme axial anastomosé ; 89 : parenchyme axial en bandes marginales ou semblant marginales ; 91 : deux cellules par file verticale ; 92 : quatre (3–4) cellules par file verticale.
- Rayons : 96 : rayons exclusivement unisériés ; (97 : rayons 1–3-sériés (larges de 1–3 cellules)) ; 104 : rayons composés uniquement de cellules couchées ; (106 : rayons composés de cellules couchées avec une rangée terminale de cellules dressées et/ou carrées) ; 116 : ≥ 12 rayons par mm.
- Inclusions minérales : 136 : présence de cristaux prismatiques ; 142 : cristaux prismatiques dans les cellules cloisonnées du parenchyme axial.
Croissance et développement
Les arbres fleurissent souvent à la fin de la saison sèche. En Côte d’Ivoire, leur floraison a été signalée en janvier–mai, et au Ghana en janvier–juillet. Les fruits mûrissent environ 6 mois plus tard.
Ecologie
Berlinia grandiflora est présent généralement en forêt-galerie dans les régions de savane, jusqu’à 700 m d’altitude. On peut également le trouver en bordure de parcelles de forêt semi-décidue des zones de savane. Il préfère les sols profonds et bien drainés.
Ressources génétiques
Berlinia grandiflora est répandu et moyennement commun par endroits. Il n’est donc pas menacé d’érosion génétique.
Perspectives
Berlinia grandiflora restera d’importance locale pour son bois et comme médicament. On a très peu de renseignements concernant sa croissance et son développement, sa multiplication, sa plantation et les mesures de gestion appropriées. Il mérite plus d’attention en tant qu’espèce polyvalente qui pourrait être utile dans des systèmes d’agroforesterie.
Références principales
- Arbonnier, M., 2004. Trees, shrubs and lianas of West African dry zones. CIRAD, Margraf Publishers Gmbh, MNHN, Paris, France. 573 pp.
- ATIBT (Association Technique Internationale des Bois Tropicaux), 1986. Tropical timber atlas: Part 1 – Africa. ATIBT, Paris, France. 208 pp.
- Aubréville, A., 1970. Légumineuses - Césalpinioidées (Leguminosae - Caesalpinioideae). Flore du Cameroun. Volume 9. Muséum National d’Histoire Naturelle, Paris, France. 339 pp.
- Bolza, E. & Keating, W.G., 1972. African timbers: the properties, uses and characteristics of 700 species. Division of Building Research, CSIRO, Melbourne, Australia. 710 pp.
- Burkill, H.M., 1995. The useful plants of West Tropical Africa. 2nd Edition. Volume 3, Families J–L. Royal Botanic Gardens, Kew, Richmond, United Kingdom. 857 pp.
- Irvine, F.R., 1961. Woody plants of Ghana, with special reference to their uses. Oxford University Press, London, United Kingdom. 868 pp.
- Keay, R.W.J., 1989. Trees of Nigeria. A revised version of Nigerian trees (1960, 1964) by Keay, R.W.J., Onochie, C.F.A. & Stanfield, D.P. Clarendon Press, Oxford, United Kingdom. 476 pp.
- Mackinder, B.A. & Harris, D.J., 2006. A synopsis of the genus Berlinia (Leguminosae - Caesalpinioideae). Edinburgh Journal of Botany 63(2&3): 161–182.
- Takahashi, A., 1978. Compilation of data on the mechanical properties of foreign woods (part 3) Africa. Shimane University, Matsue, Japan. 248 pp.
- Taylor, C.J., 1960. Synecology and silviculture in Ghana. Thomas Nelson and Sons, Edinburgh, United Kingdom. 418 pp.
Autres références
- Adjanohoun, E.J., Aké Assi, L., Floret, J.J., Guinko, S., Koumaré, M., Ahyi, M.R.A. & Raynal, J., 1979. Médecine traditionelle et pharmacopée - Contribution aux études ethnobotaniques et floristiques au Mali. Agence de Coopération Culturelle et Technique, Paris, France. 291 pp.
- Asuzu, I.U., Nwelle, O.C. & Anaga, A.O., 1993. The pharmacological properties of the bark methanolic extract of Berlinia grandiflora. Fitoterapia 64(6): 529–534.
- Aubréville, A., 1959. La flore forestière de la Côte d’Ivoire. Deuxième édition révisée. Tome premier. Publication No 15. Centre Technique Forestier Tropical, Nogent-sur-Marne, France. 369 pp.
- CIRAD Forestry Department, 2009. Ebiara. [Internet] Tropix 6.0. http://tropix.cirad.fr/ africa/ebiara.pdf. April 2010.
- de Saint-Aubin, G., 1963. La forêt du Gabon. Publication No 21 du Centre Technique Forestier Tropical, Nogent-sur-Marne, France. 208 pp.
- Enwerem, N.M., Okogun, J.I., Wambebe, C.O., Okorie, C.O. & Akah, P.A., 2001. Anthelmintic activity of the stem bark extracts of Berlinia grandiflora and one of its active principles, betulinic acid. Phytomedicine 8(2): 112–114.
- Estrella, M., Cabezas, F.J., Aedo, C. & Velayos, M., 2006. Checklist of the Caesalpinioideae (Leguminosae) of Equatorial Guinea (Annobón, Bioko and Río Muni). Botanical Journal of the Linnean Society 151: 541–562.
- Keay, R.W.J., 1954. Revision of the ‘Flora of West Tropical Africa’ VI. Kew Bulletin 9( 2): 263–275.
- Kerharo, J. & Bouquet, A., 1950. Plantes médicinales et toxiques de la Côte d’Ivoire - Haute-Volta. Vigot Frères, Paris, France. 291 pp.
- Lawal, I.O., Uzokwe, N.E., Igboanugo, A.B.I., Adio, A.F., Awosan, A.E., Nwogwugwu, J.O., Faloye, B., Olatunji, B.P. & Adesoga, A.A., 2010. Ethno medicinal information on collation and identification of some medicinal plants in Research Institutes of South-west Nigeria. African Journal of Pharmacy and Pharmacology 4(1): 1–7.
- Neuwinger, H.D., 2000. African traditional medicine: a dictionary of plant use and applications. Medpharm Scientific, Stuttgart, Germany. 589 pp.
- Oliver, D., 1871. Caesalpinieae. In: Oliver, D. (Editor). Flora of tropical Africa. Volume 2. L. Reeve & Co, London, United Kingdom. pp. 258–321.
- Oteng-Amoako, A.A. (Editor), 2006. 100 tropical African timber trees from Ghana: tree description and wood identification with notes on distribution, ecology, silviculture, ethnobotany and wood uses. 304 pp.
- Sallenave, P., 1955. Propriétés physiques et mécaniques des bois tropicaux de l’Union française. Centre Technique Forestier Tropical, Nogent sur Marne, France. 129 pp.
- Sallenave, P., 1964. Propriétés physiques et mécaniques des bois tropicaux. Premier supplément. Centre Technique Forestier Tropical, Nogent-sur-Marne, France. 79 pp.
- Taïta, P., 2000. La biodiversité des espèces spontanées utilisées dans l’alimentation et la pharmacopée dans la région de la réserve de biosphère de la Mare aux Hippopotames. In: Actes du Forum National de la Recherche Scientifique et des Innovations Technologiques (FRSIT), 3–8 avril 2000, Ouagadougou, Burkina Faso. Tome 2. Sécurité alimentaire. pp. 77–95.
- Vivien, J. & Faure, J.J., 1985. Arbres des forêts denses d’Afrique Centrale. Agence de Coopération Culturelle et Technique, Paris, France. 565 pp.
Sources de l'illustration
- Aubréville, A., 1970. Légumineuses - Césalpinioidées (Leguminosae - Caesalpinioideae). Flore du Cameroun. Volume 9. Muséum National d’Histoire Naturelle, Paris, France. 339 pp.
Auteur(s)
- R.B. Jiofack Tafokou, Ecologic Museum of Cameroon, P.O. Box 8038, Yaoundé, Cameroon
Consulté le 2 octobre 2025.
- Voir cette page sur la base de données Prota4U.